Wohnungsangebot
Wir vermitteln nicht in erster Linie Wohnungen. Das wäre an unserer Zielsetzung vorbei. Wir bieten einen Lebensraum für Menschen, die Gemeinschaft wollen, das trifft es schon eher. Bei der Projektentwicklung und dem Bauvorhaben war es uns wichtig, möglichst unterschiedliche Wohnungsgrößen zur Verfügung zu stellen, um den Slogan "Leben in Vielfalt" auch in die Wirklichkeit zu transferieren. Hier haben Sie einen Überblick über die wenigen noch freien Wohnmöglichkeiten. Ihnen ist gemeinsam, dass sie barrierefrei erreichbar sind, breite Laubengänge vor der Wohnungstür haben, einen Austritt ins Freie ermöglichen (Balkon oder Terrasse), über einen Keller verfügen, (fast alle) einen Anspruch auf einen Parkplatz in der Tiefgarage haben und eine Waschmaschine im Keller Platz in der Küche spart. Das Attikageschoss ist komplett vergeben. Im 1. OG (51qm) und im Erdgeschoss (WG-Zimmer) steht noch freier Wohnraum zur Verfügung.
Allen Wohnungen ist gemeinsam, dass die Wege kurz sind zu Geselligkeit, Zwiebeln "leihen" oder Hilfe erbeten.
Der Kaltmietpreis der WBS-Wohnungen mit der Förderung A liegt bei 6,50 € pro qm.
Inbegriffen ist überall die Energiestandardpauschale von 0,30 € pro qm.
Schneller Zugriff empfohlen 😊.
Denken Sie über die Finanzierungsmöglichkeiten nach? Hier ein Vorschlag, den Sie mit Ihrer Hausbank besprechen können, sie ist der Ansprechpartner:
Kfw-Kredit:
Zur Kfw Website
WBS:
Wollen Sie wissen, welche Einkommensgrenzen bei einem WBS gelten?

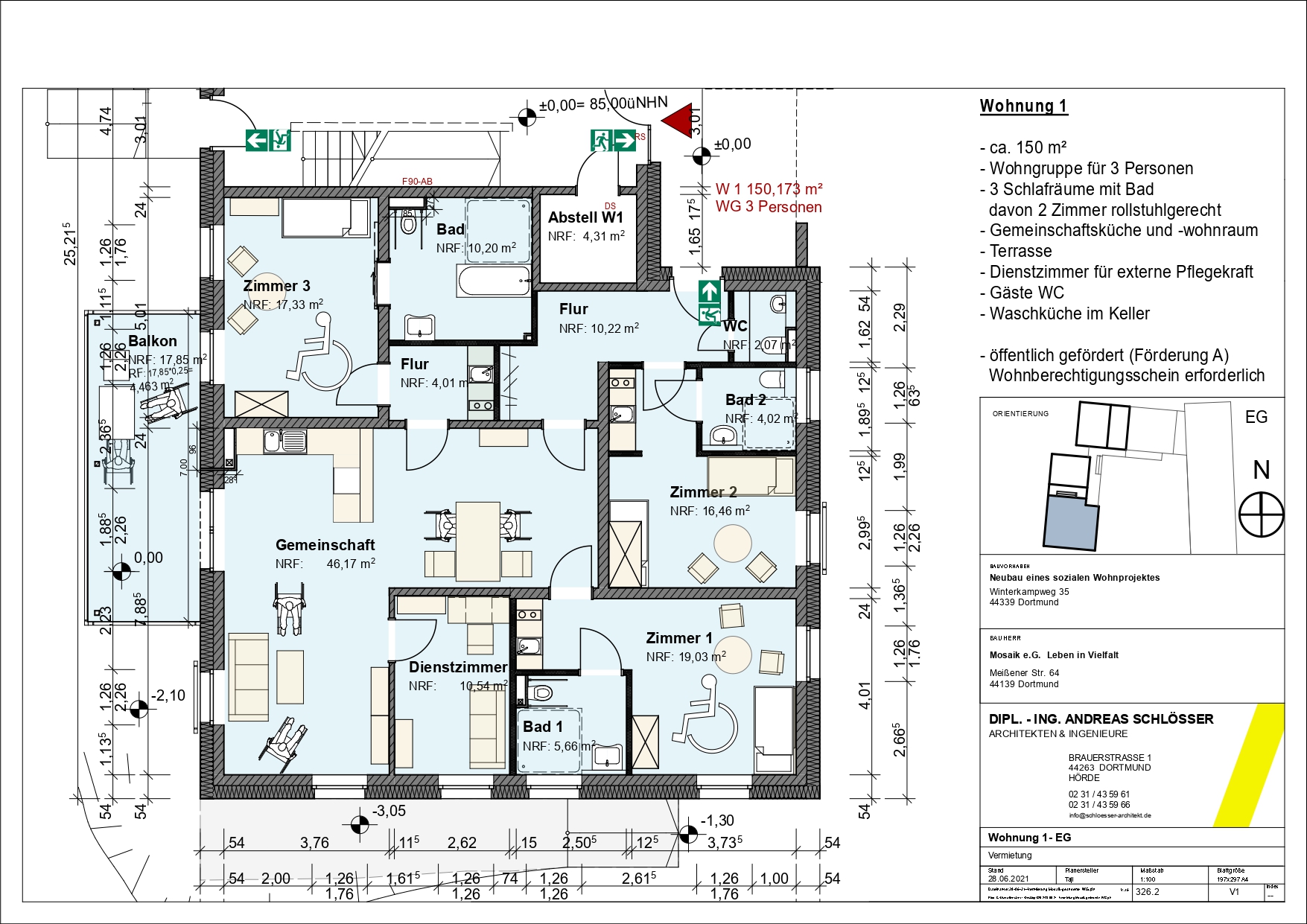
WG-Leben auf 150 qm mit WBS, Förderung A, im Erdgeschoss, jeweils 1 Zimmer mit eigenem Bad, Gemeinschaftswohnküche - NOCH EIN ZIMMER FREI!
Jede Person hat eigenen Raum mit individuellem Bad, insgesamt ca. 50 qm zur Verfügung.
Kaltmietpreis 6,50 € pro qm.
Barrierefreier Zugang, Tiefgarage, Gemeinschaftsraum und -garten. Für Studierende gut geeignet und alle, die das WG-Leben klasse finden. ÖPNV, Kulturorte, Erholungsgebiete in Nähe.
Zimmer Nr. 3 ist schon besetzt. Stefan lässt grüßen.
Noch freie Wohnungsmöglichkeiten
51 qm, für 1 Person mit WBS Förderung A, im 1. Obergeschoss

Angenehme Einbindung in die Gemeinschaft und trotzdem ein Reich für sich.
Kaltmietpreis 6.50 € pro qm.
Gut erreichbar, Fahrstuhl vorhanden.
Balkon mit Innenhofblick, Gemeinschaftsgarten und -raum. Waschküche, Abstellraum. Tiefgarage, Fahrradabstellraum. Gute Infrastruktur. Nähe zu Kultur, Natur und Sport.
